
Overview
Hysteresis brake is a device to control the torque of the magnetic hysteresis in principle use. When the coil is energized, the magnetic air gap becomes. Because the hysteresis effect of the rotor, resulting in a braking effect (brake torque). Current and torque positively correlated. No friction torque generated by the magnetic field, can provide a smoother hysteresis brake torque; reliable torque at the present; higher degree of easy controllability; speed wide scope; long life; low maintenance costs and downtime.
Performance parameters
| Model: JDK-200 |
Rated torque: 20 CNM |
| Rated current: 214 mA |
Voltage: 24 V DC |
| Coil resistance: 112 ohms |
Gap running power: 90 Watts |
| Continuous operating power: 24 Watts |
Moment of inertia: 6.8 × 10-2 Kg.cm2 |
| Maximum speed: 15000 r.p.m. |
Weight: 0.51 kg |
HB-200 Current - torque corresponding to Fig. Caution:
Residual magnetism -
When the hysteresis is above a certain rotational speed (40 ~ 50r / min) off the field current, no residual torque; but disconnected in the absence of rotation of the excitation state Stream, it will produce excitation current torque value before disconnecting 5-10% residual torque, performance characteristics to produce hop hop chattering when rotating. If you are using disconnected before When the current value of more than 60% -70% of the excitation current is restarted normally does not produce residual torque. For example disconnected before current is 250mA, 150mA start with, No residual torque; as with 100mA start, it will generate residual torque. Methods to eliminate residual torque: When you disconnect the excitation current at 40 ~ 50r / min or more speed or low speed gradually to minimize current from the large or to 0.
Slip power
Hysteresis brake work process consumes power acting and converted into heat. Hysteresis brake with a rated power of allowable slip, it will overheat and damage exceeded.
Gently
Not knocking, knocking, screws can not be too long.
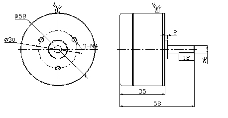
Dimensions


|